クレーン・デリック運転士 過去問
令和7年(2025年)10月
問22 (原動機及び電気に関する知識 問2)

このページは閲覧用ページです。
履歴を残すには、 「新しく出題する(ここをクリック)」 をご利用ください。

問題

クレーン・デリック運転士試験 令和7年(2025年)10月 問22(原動機及び電気に関する知識 問2) (訂正依頼・報告はこちら)

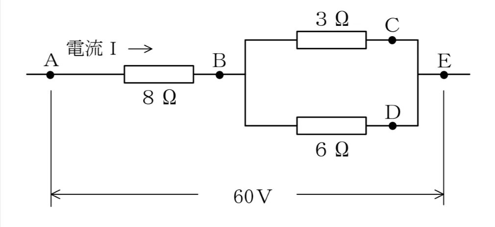
図のような回路について、AE間に60Vの電圧をかけたときの電流I(A)、電圧E(V)、抵抗R(Ω)の値に関する記述として、適切でないものは次のうちどれか。
問題文の画像
  • AB間の電圧の値は48Ⅴである。
  • BD間の電圧の値は12Ⅴである。
  • B点を流れる電流の値は4Aである。
  • D点を流れる電流の値は2Aである。
  • BE間の抵抗の値は2Ωである。

次の問題へ

正解!素晴らしいです

残念...

この過去問の解説 (2件)

01

この問題は回路を正しく解けているか問われています。

まず全体の合成抵抗を求めましょう。

B-E間の合成抵抗は

1/R=1/3+1/6=1/2→R=2

になります。

続いて、回路全体の電流を求めます。

AE間に流れる電圧が60Vなので

I=60/20=6A

A→B→Eに流れる電流は6Aになります。

各選択肢を確認してみましょう。

選択肢1. AB間の電圧の値は48Ⅴである。

適切です。

AB間の電圧は

6A×8Ω=48V

になるので適切です。

選択肢2. BD間の電圧の値は12Ⅴである。

適切です。

BD間の電圧は

60-48=12V

になるので適切です。

選択肢3. B点を流れる電流の値は4Aである。

不適切です。

B点を流れる電流は分岐前の電流値になるので、

6Aになります。

選択肢4. D点を流れる電流の値は2Aである。

適切です。

D点を流れる電流は

12/6=2A

になるので適切です。

選択肢5. BE間の抵抗の値は2Ωである。

適切です。

B-E間の抵抗は

1/R=1/3+1/6=1/2→R=2

になるので適切です。

まとめ

全体の合成抵抗と全体に流れている電流を求めることと、

公式を覚えておきましょう。

参考になった数6

02

不適切なのは、「B点を流れる電流の値は4Aである。」です。
この回路は、A→Bに8Ω(直列)があり、その先で「3Ωと6Ωが並列」に分かれます。B点は分かれる直前なので、B点の電流は枝分かれ後の電流を足した値になり、「6A」になります。

選択肢1. AB間の電圧の値は48Ⅴである。

この選択肢は適切です。
まず、3Ωと6Ωの並列の合成抵抗は、
1 / (1/3 + 1/6) = 2Ωです。
全体は8Ωと2Ωの直列なので、AE間の合成抵抗は10Ωです。
したがって全体電流Iは60V ÷ 10Ω = 6Aです。
AB間(8Ω)にかかる電圧は、6A×8Ω=48Vになります。

選択肢2. BD間の電圧の値は12Ⅴである。

この選択肢は適切な記述です。
全体60Vのうち、AB間で48V使ったので、残りは60V−48V=12Vです。
この12Vが、並列部分(Bから右側の合流点まで)にかかる電圧です。図では6Ωの右端がD点なので、BD間の電圧は12Vになります。

選択肢3. B点を流れる電流の値は4Aである。

この選択肢が適切ではありません。
B点の先で電流は2つに分かれます。並列部分の電圧は12Vなので、
3Ω側の電流は12V ÷ 3Ω = 4A、
6Ω側の電流は12V ÷ 6Ω = 2Aです。
B点は分かれる手前なので、B点の電流は4A+2A=6Aになります。

選択肢4. D点を流れる電流の値は2Aである。

この選択肢は適切な記述です。
D点は6Ωの枝側にあります。並列部分の電圧は12Vなので、6Ωを流れる電流は12V ÷ 6Ω = 2Aです。

選択肢5. BE間の抵抗の値は2Ωである。

この選択肢は適切な記述です。
BからEは、3Ωと6Ωの並列です。並列の合成抵抗は2Ωになります。

参考になった数2